Replaces: HCAK207-21, HCLP207-21, VPLE221, P2B-SXRB-105, RAK-1-5/16, NAPL207-21, PL-Y221N, UELPL207-105T, SYH-1-5/16-WM, RPL-21E, VPL21E
| Brand | |
|---|---|
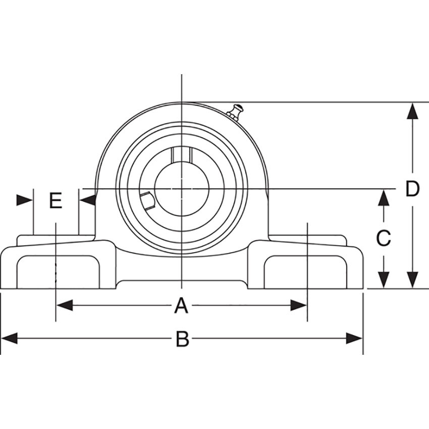
| A. Center to Center Bolt Hole | 5" |
| B. Overall Width | 6-9/16" |
| C. Center Height | 1-13/16" |
| D. Overall Height | 3-11/16" |
| E. Bolt Hole Size | 1/2" |
Description
RAK Series, Cast Iron Pillow Block, Standard Duty Wide Inner Ring Bearing with Eccentric Locking Collar and Triple Lipped Seals

