Replaces: HCAK205-15, HCLP205-15, VPLE215, P2B-SXRB-015, RAK-15/16, NAPL205-15, PL-Y215N, UELPL205-015T, SYH-15/16-WM, RPL-15E, VPL-15E
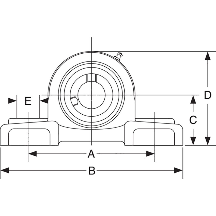
| Brand | |
|---|---|
| A. Center to Center Bolt Hole | 4-1/8" |
| B. Overall Width | 5-1/2" |
| C. Center Height | 1-5/16" |
| D. Overall Height | 2-5/8" |
| E. Bolt Hole Size | 3/8" |
Description
RAK Series, Cast Iron Pillow Block, Standard Duty Wide Inner Ring Bearing with Eccentric Locking Collar and Triple Lipped Seals

