Replaces: HCAK215-47, HCLP215-47, VPLE247, P2B-SXRB-215, RAK-2-15/16, NAPL215-47, PL-Y247N, UELPL215-215T, SYH-2-15/16-WM, RPL-47E, VPL-47E
| Brand | |
|---|---|
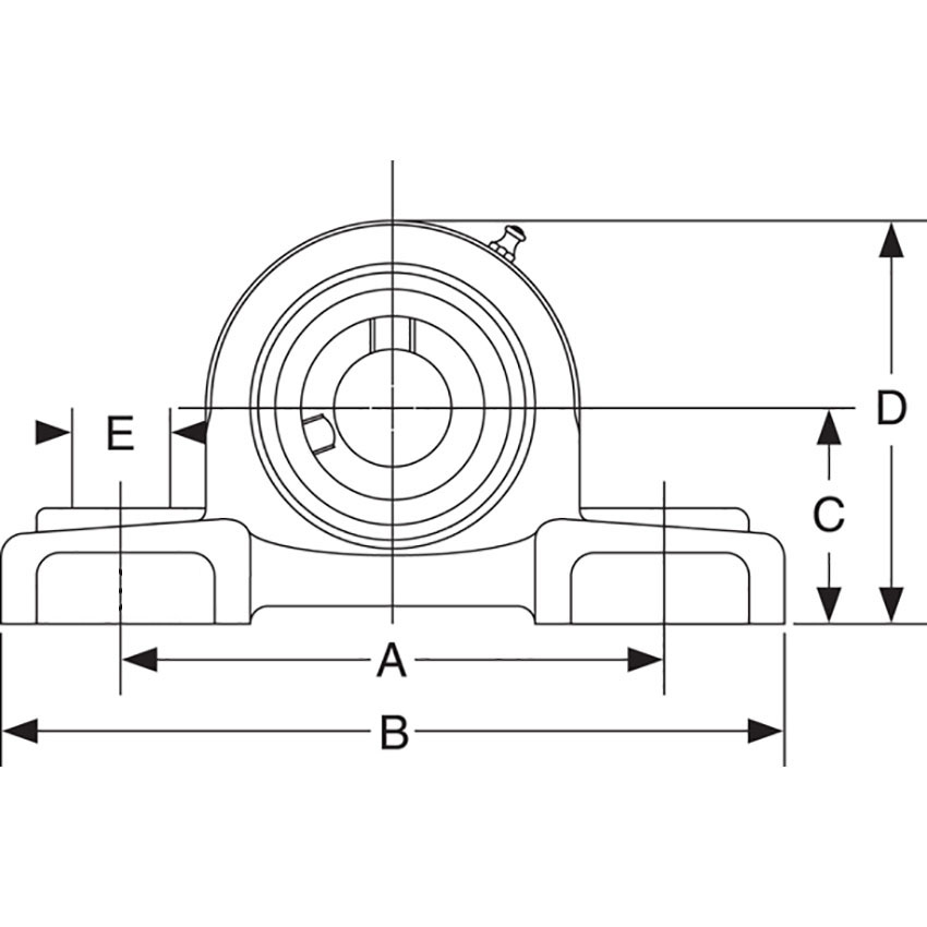
| A. Center to Center Bolt Hole | 9-1/2" |
| B. Overall Width | 10-13/16" |
| C. Center Height | 3-1/4" |
| D. Overall Height | 6-5/8" |
| E. Bolt Hole Size | 3/4" |
Description
RAK Series, Cast Iron Pillow Block, Standard Duty Wide Inner Ring Bearing with Eccentric Locking Collar and Triple Lipped Seals

