Call Us Today! 1 (800) 457-5348|info@agriindustrialsupply.com

RAK 2-3/16″ Timken

Bearings and Seals

RAK 2-3/16″ Timken

Replaces:

Brand

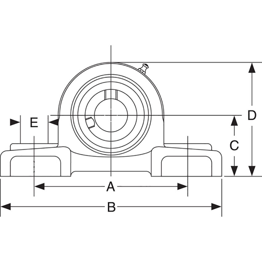
A. Center to Center Bolt Hole

6-15/16"

B. Overall Width

8-3/4"

D. Overall Height

4-29/32"

E. Bolt Hole Size

5/8"

Description

Industrial Series, 2 Bolt Pillow Block with G-KRRB Wide Inner Ring and Eccentric Locking Collar