Replaces: HCAK211-32, HCLP211-32, VPLE232, P2B-SXRB-200, RAK-2, NAPL211-32, PL-Y232N, UELPL211-200T, SYH-2-WM, RPL-32E, VPL-32E
| Brand | |
|---|---|
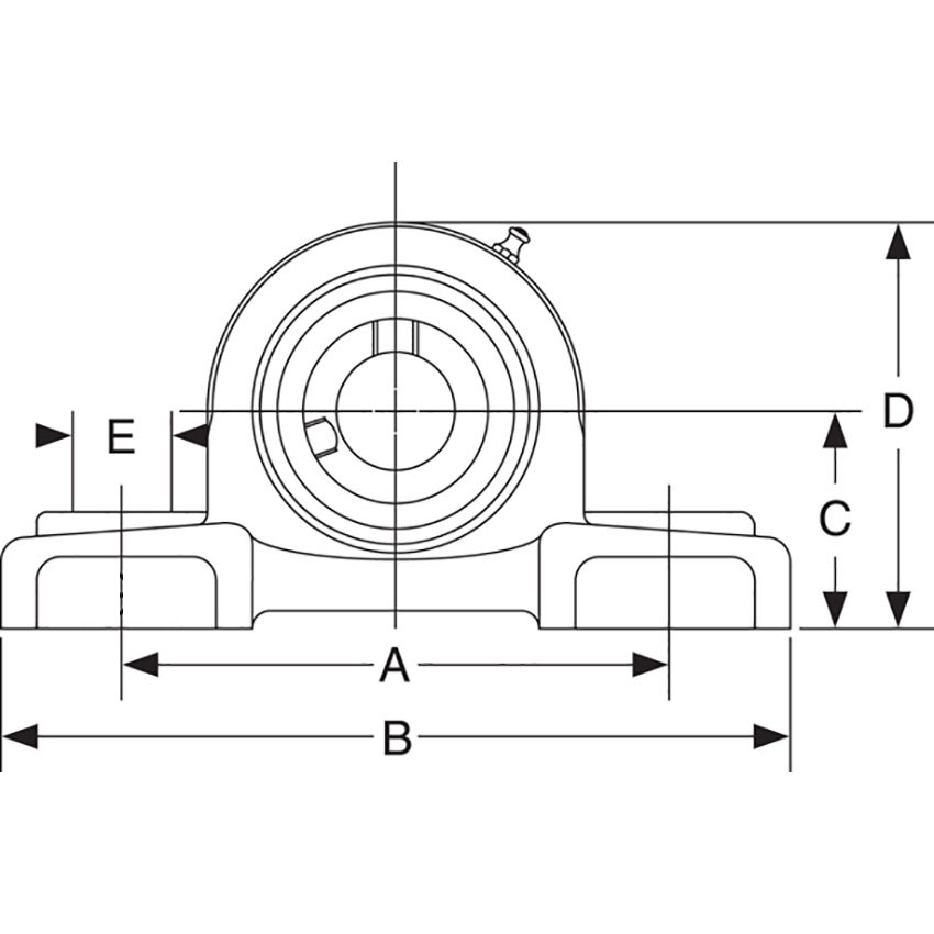
| A. Center to Center Bolt Hole | 7-1/8" |
| B. Overall Width | 9-1/8" |
| C. Center Height | 2-7/16" |
| D. Overall Height | 4-7/16" |
| E. Bolt Hole Size | 5/8" |
Description
RAK Series, Cast Iron Pillow Block, Standard Duty Wide Inner Ring Bearing with Eccentric Locking Collar and Triple Lipped Seals

