Replaces: HCAK215-48, HCLP215-48, VPLE248, P2B-SXRB-218, RAK-3, NAPL215-48, PL-Y248N, UELPL215-300T, SYH-3-WM, RPL-48E, VPL-48E, RAK130MM, 215-48
| Brand | |
|---|---|
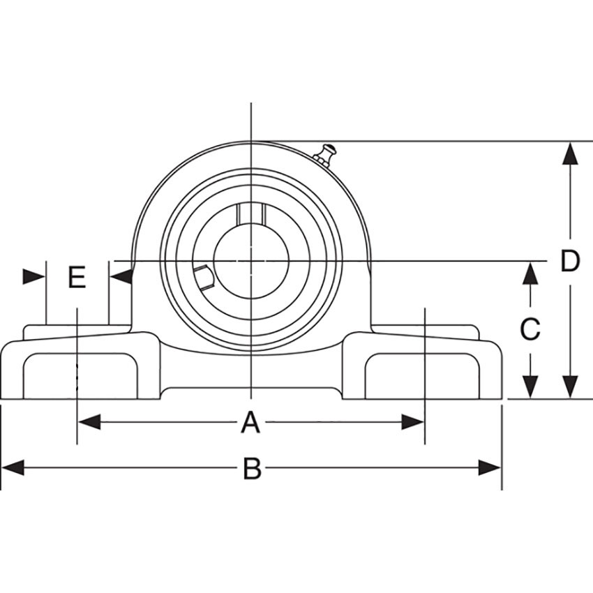
| A. Center to Center Bolt Hole | 9-1/2" |
| B. Overall Width | 10-13/16" |
| C. Center Height | 3-1/4" |
| D. Overall Height | 6-5/8" |
| E. Bolt Hole Size | 3/4" |
Description
RAK Series, Cast Iron Pillow Block, Standard Duty Wide Inner Ring Bearing with Eccentric Locking Collar and Triple Lipped Seals

