Replaces:
| Brand | |
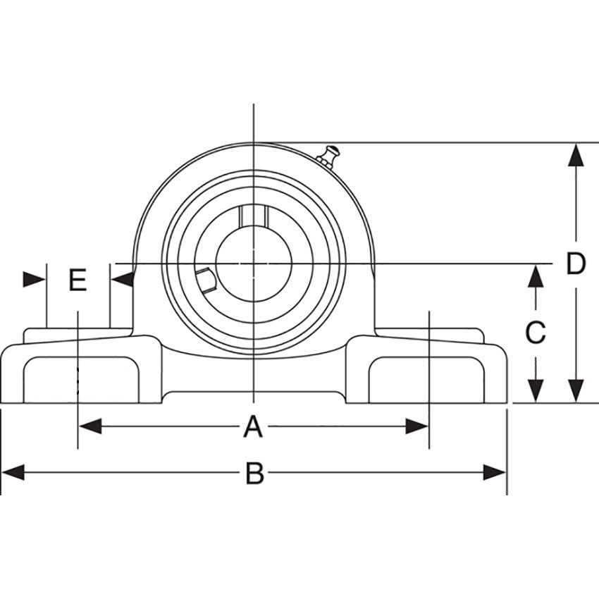
|---|---|
| A. Center to Center Bolt Hole | 4-5/8" |
| B. Overall Width | 6-3/16" |
| D. Overall Height | 3-5/32" |
| E. Bolt Hole Size | 1/2" |
Description
Industrial Series, High Base to Center Height Dimension, Uses G-KRRB Wide Inner Ring Bearing with Eccentric Locking Collar

