Replaces:
| Brand | |
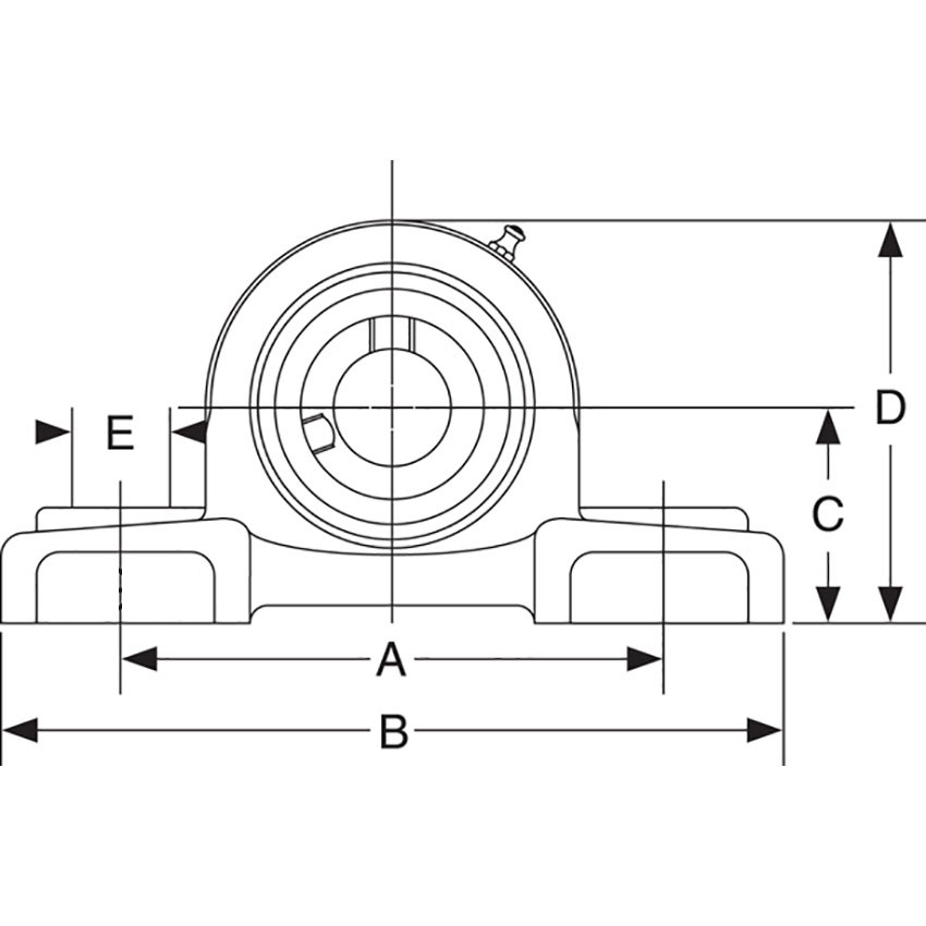
|---|---|
| A. Center to Center Bolt Hole | 6-7/32" |
| B. Overall Width | 7-7/8" |
| D. Overall Height | 4-7/16" |
| E. Bolt Hole Size | 5/8" |
Description
Standard Series, 2 Bolt Pillow Block with GRA-RRB, Greasable Narrow Inner Ring Bearing with Eccentric Locking Collar

